- · NK | NKI | NKIS
- · NA48 | NA59 | NA69 | RNA48 | RNA59 | RNA69
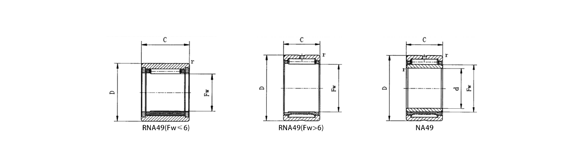
- · RNA49..2RS | NA69..2RS
- · MR+MI | BR | BRI
- · HJTT
- · NAO | RNAF
- · NAV | RNAV
| Bearing Designation With Inner | Mass (g) | Bearing Designation Without Inner | Mass (g) | Boundary Dimensions (mm) | Allowable offset (s) | Basic Load Rating (kN) | Limiting Speed (rpm) | |||||
|---|---|---|---|---|---|---|---|---|---|---|---|---|
| d | Fw | D | C | rmin | C Dynamic | C o Static | ||||||
NA4822 | 1110 | RNA4822 | 670 | 110 | 120 | 140 | 30 | 1 | 0.8 | 74.8 | 168 | 2640 |
NA4824 | 1170 | RNA4824 | 730 | 120 | 130 | 150 | 30 | 1 | 0.8 | 79.6 | 186.4 | 2480 |
NA4826 | 1820 | RNA4826 | 950 | 130 | 145 | 170 | 35 | 1.1 | 1 | 94.4 | 244 | 2240 |
NA4828 | 1600 | RNA4828 | 1020 | 140 | 155 | 175 | 35 | 1.1 | 1 | 96.8 | 252 | 2080 |
NA4830 | 2720 | RNA4830 | 1600 | 150 | 165 | 190 | 40 | 1.1 | 1.5 | 121.6 | 312 | 1920 |
NA4832 | 2900 | RNA4832 | 1700 | 160 | 175 | 200 | 40 | 1.1 | 1.5 | 128 | 340 | 1840 |
NA4834 | 3990 | RNA4834 | 2540 | 170 | 185 | 215 | 45 | 1.1 | 1.5 | 148 | 396 | 1760 |
NA4836 | 4190 | RNA4836 | 2680 | 180 | 195 | 225 | 45 | 1.1 | 1.5 | 156 | 432 | 1680 |
NA4838 | 5620 | RNA4838 | 3210 | 190 | 210 | 240 | 50 | 1.5 | 1.5 | 181.6 | 544 | 1520 |
NA4840 | 5840 | RNA4840 | 3350 | 200 | 220 | 250 | 50 | 1.5 | 1.5 | 184.8 | 564 | 1440 |
NA4844 | 6370 | RNA4844 | 3620 | 220 | 240 | 270 | 50 | 1.5 | 1.5 | 193.6 | 616 | 1360 |
(NA4848) | 10000 | (RNA4848) | 5400 | 240 | 265 | 300 | 60 | 2 | 2 | 288 | 864 | 1200 |
(NA4852) | 10800 | (RNA4852) | 5800 | 260 | 285 | 320 | 60 | 2 | 2 | 300 | 928 | 1120 |
(NA4856) | 15500 | (RNA4856) | 9300 | 280 | 305 | 350 | 69 | 2 | 2.5 | 364 | 1040 | 1040 |
(NA4860) | 22000 | (RNA4860) | 12700 | 300 | 330 | 380 | 80 | 2.1 | 2 | 500 | 1416 | 960 |
(NA4864) | 23200 | (RNA4864) | 13400 | 320 | 350 | 400 | 80 | 2.1 | 2 | 512 | 1480 | 880 |
(NA4868) | 24100 | (RNA4868) | 14000 | 340 | 370 | 420 | 80 | 2.1 | 2 | 524 | 1552 | 880 |
(NA4872) | 25700 | (RNA4872) | 14800 | 360 | 390 | 440 | 80 | 2.1 | 2 | 532 | 1616 | 800 |
(NA4876) | 44500 | (RNA4876) | 26000 | 380 | 415 | 480 | 100 | 2.1 | 2 | 800 | 2272 | 760 |

| Bearing Designation With Inner | Mass (g) | Bearing Designation Without Inner | Mass (g) | Boundary Dimensions (mm) | Allowable offset (s) | Basic Load Rating (kN) | Limiting Speed (rpm) | |||||
|---|---|---|---|---|---|---|---|---|---|---|---|---|
| d | Fw | D | C | rmin | C Dynamic | C o Static | ||||||
RNA493TN | 4.6 | 5 | 11 | 10 | 0.15 | 1.96 | 1.57 | 32000 | ||||
RNA494TN | 5.3 | 6 | 12 | 10 | 0.15 | 2.2 | 1.8 | 30000 | ||||
NA495 | 7.3 | RNA495 | 5.9 | 5 | 7 | 13 | 10 | 0.15 | 0.5 | 2.24 | 2.02 | 27200 |
NA496 | 9.1 | RNA496 | 7.4 | 6 | 8 | 15 | 10 | 0.15 | 0.5 | 3.14 | 2.62 | 25600 |
NA497 | 11.2 | RNA497 | 9.3 | 7 | 9 | 17 | 10 | 0.15 | 0.5 | 3.44 | 2.77 | 24000 |
NA498 | 15 | RNA498 | 12.6 | 8 | 10 | 19 | 11 | 0.2 | 0.5 | 4.71 | 3.82 | 22400 |
NA499 | 16.7 | RNA499 | 13.6 | 9 | 12 | 20 | 11 | 0.3 | 0.5 | 5.02 | 4.79 | 20800 |
NA4900 | 24 | RNA4900 | 16.5 | 10 | 14 | 22 | 13 | 0.3 | 0.5 | 6.88 | 7.36 | 19200 |
NA4901 | 26.5 | RNA4901 | 18.1 | 12 | 16 | 24 | 13 | 0.3 | 0.5 | 7.64 | 8.72 | 18400 |
RNA49/14 | 19.9 | 18 | 26 | 13 | 0.3 | 8.64 | 10.48 | 16000 | ||||
NA4902 | 36 | RNA4902 | 22 | 15 | 20 | 28 | 13 | 0.3 | 0.5 | 8.24 | 10.24 | 16000 |
NA4903 | 37 | RNA4903 | 22 | 17 | 22 | 30 | 13 | 0.3 | 0.5 | 8.96 | 11.68 | 14400 |
NA4904 | 74 | RNA4904 | 52 | 20 | 25 | 37 | 17 | 0.3 | 0.8 | 17.04 | 20.4 | 12800 |
NA49/22 | 80 | RNA49/22 | 50 | 22 | 28 | 39 | 17 | 0.3 | 0.8 | 18.56 | 23.44 | 11200 |
NA4905 | 88 | RNA4905 | 61 | 25 | 30 | 42 | 17 | 0.3 | 0.8 | 19.2 | 25.2 | 10400 |
NA49/28 | 98 | RNA49/28 | 73 | 28 | 32 | 45 | 17 | 0.3 | 0.8 | 19.84 | 26.8 | 10400 |
NA4906 | 101 | RNA4906 | 69 | 30 | 35 | 47 | 17 | 0.3 | 0.8 | 20.4 | 28.4 | 8800 |
NA49/32 | 157 | RNA49/32 | 89 | 32 | 40 | 52 | 20 | 0.6 | 0.8 | 25.2 | 38 | 8000 |
NA4907 | 171 | RNA4907 | 107 | 35 | 42 | 55 | 20 | 0.6 | 0.8 | 25.6 | 40 | 7600 |
RNA49/38 | 120 | 45 | 58 | 20 | 0.6 | 27.44 | 44.56 | 7200 | ||||
NA4908 | 232 | RNA4908 | 140 | 40 | 48 | 62 | 22 | 0.6 | 1 | 34.8 | 53.2 | 6800 |
RNA49/42 | 174 | 50 | 65 | 22 | 0.6 | 37.42 | 57.28 | 6400 | ||||
NA4909 | 232 | RNA4909 | 182 | 45 | 52 | 68 | 22 | 0.6 | 1 | 36.8 | 58.4 | 6000 |
RNA49/48 | 188 | 55 | 70 | 22 | 0.6 | 36.08 | 62.32 | 6000 | ||||
NA4910 | 276 | RNA4910 | 163 | 50 | 58 | 72 | 22 | 0.6 | 1 | 38.4 | 64 | 5600 |
RNA49/52 | 205 | 60 | 75 | 22 | 0.6 | 38.4 | 68.36 | 5200 | ||||
NA4911 | 396 | RNA4911 | 255 | 55 | 63 | 80 | 25 | 1 | 1.5 | 46.8 | 79.6 | 5200 |
RNA49/58 | 275 | 65 | 82 | 25 | 1 | 48.08 | 82.4 | 4800 | ||||
NA4912 | 427 | RNA4912 | 275 | 60 | 68 | 85 | 25 | 1 | 1.5 | 49.2 | 86.4 | 4800 |
RNA49/62 | 320 | 70 | 88 | 25 | 1 | 50.16 | 88.8 | 4400 | ||||
NA4913 | 454 | RNA4913 | 312 | 65 | 72 | 90 | 25 | 1 | 1.5 | 50 | 89.6 | 4400 |

| Bearing Designation With Inner | Mass (g) | Bearing Designation Without Inner | Mass (g) | Boundary Dimensions (mm) | Allowable offset (s) | Basic Load Rating (kN) | Limiting Speed (rpm) | |||||
|---|---|---|---|---|---|---|---|---|---|---|---|---|
| d | Fw | D | C | rmin | C Dynamic | C o Static | ||||||
RNA49/68 | 470 | 75 | 95 | 30 | 1 | 65.2 | 120 | 4400 | ||||
NA4914 | 727 | RNA4914 | 460 | 70 | 80 | 100 | 30 | 1 | 1.5 | 68.4 | 124.8 | 4000 |
NA4915 | 776 | RNA4915 | 489 | 75 | 85 | 105 | 30 | 1 | 1.5 | 69.6 | 129.6 | 3760 |
NA4916 | 820 | RNA4916 | 516 | 80 | 90 | 110 | 30 | 1 | 1.5 | 72.4 | 139.2 | 3520 |
RNA49/82 | 575 | 95 | 115 | 30 | 1 | 73.44 | 152 | 3200 | ||||
NA4917 | 1240 | RNA4917 | 657 | 85 | 100 | 120 | 35 | 1.1 | 1 | 89.6 | 189.6 | 3200 |
NA4918 | 1310 | RNA4918 | 697 | 90 | 105 | 125 | 35 | 1.1 | 1 | 92.8 | 201.6 | 3040 |
NA4919 | 1360 | RNA4919 | 719 | 95 | 110 | 130 | 35 | 1.1 | 1 | 94.4. | 208 | 2880 |
NA4920 | 1930 | RNA4920 | 1150 | 100 | 115 | 140 | 40 | 1.1 | 2 | 101.6 | 208 | 2800 |
NA4922 | 2080 | RNA4922 | 1240 | 110 | 125 | 150 | 40 | 1.1 | 2 | 104.8 | 223.2 | 2560 |
NA4924 | 2840 | RNA4924 | 1860 | 120 | 135 | 165 | 45 | 1.1 | 2 | 144 | 304 | 2400 |
NA4926 | 3900 | RNA4926 | 2210 | 130 | 150 | 180 | 50 | 1.5 | 1.5 | 161.6 | 364 | 2160 |
NA4928 | 4050 | RNA4928 | 2350 | 140 | 160 | 190 | 50 | 1.5 | 1.5 | 167.2 | 388 | 2000 |
NA4930 | 6380 | RNA4930 | 4090 | 150 | 170 | 210 | 60 | 2 | 1.5 | 208.8 | 488 | 1920 |
NA4932 | 6750 | RNA4932 | 4310 | 160 | 180 | 220 | 60 | 2 | 1.5 | 216 | 520 | 1760 |
NA4934 | 7110 | RNA4934 | 4530 | 170 | 190 | 230 | 60 | 2 | 1.5 | 223.2 | 552 | 1680 |
NA4936 | 10200 | RNA4936 | 6250 | 180 | 205 | 250 | 69 | 2 | 1.5 | 300 | 712 | 1600 |
NA4938 | 10700 | RNA4938 | 6500 | 190 | 215 | 260 | 69 | 2 | 1.5 | 312 | 756 | 1520 |
(NA4940) | 15400 | (RNA4940) | 10400 | 200 | 225 | 280 | 80 | 2.1 | 1.5 | 404 | 944 | 1440 |
(NA4944) | 16700 | (RNA4944) | 11200 | 220 | 245 | 300 | 80 | 2.1 | 1.5 | 420 | 1016 | 1280 |
(NA4948) | 18000 | (RNA4948) | 12000 | 240 | 265 | 320 | 80 | 2.1 | 2 | 432 | 1080 | 1200 |
(NA4952) | 31100 | (RNA4952) | 21200 | 260 | 290 | 360 | 100 | 2.1 | 2 | 644 | 1520 | 1120 |
(NA4956) | 33100 | (RNA4956) | 22500 | 280 | 310 | 380 | 100 | 2.1 | 2 | 668 | 1624 | 1040 |
(NA4960) | 51400 | (RNA4960) | 33400 | 300 | 340 | 420 | 118 | 3 | 2 | 864 | 2112 | 960 |
(NA4964) | 54400 | (RNA4964) | 35200 | 320 | 360 | 440 | 118 | 3 | 2 | 896 | 2256 | 880 |
(NA4968) | 57300 | (RNA4968) | 37000 | 340 | 380 | 460 | 118 | 3 | 2 | 928 | 2400 | 880 |
(NA4972) | 60200 | (RNA4972) | 38700 | 360 | 400 | 480 | 118 | 3 | 2 | 960 | 2560 | 800 |
(NA4976) | 90300 | (RNA4976) | 56400 | 380 | 430 | 520 | 140 | 4 | 2 | 1120 | 3000 | 760 |
(NA4980) | 94400 | (RNA4980) | 58800 | 400 | 450 | 540 | 140 | 4 | 2.5 | 1160 | 3200 | 720 |
(NA4984) | 98500 | (RNA4984) | 61200 | 420 | 470 | 560 | 140 | 4 | 2.5 | 1200 | 3400 | 680 |
(NA4988) | 131000 | (RNA4988) | 86900 | 440 | 490 | 600 | 160 | 4 | 2.5 | 1400 | 3680 | 640 |

| Bearing Designation With Inner | Mass (g) | Bearing Designation Without Inner | Mass (g) | Boundary Dimensions (mm) | Allowable offset (s) | Basic Load Rating (kN) | Limiting Speed (rpm) | |||||
|---|---|---|---|---|---|---|---|---|---|---|---|---|
| d | Fw | D | C | rmin | C Dynamic | C o Static | ||||||
NA5902 | 52 | RNA5902 | 33 | 15 | 20 | 28 | 18 | 0.3 | 0.5 | 11.28 | 15.3 | 16000 |
NA5903 | 56 | RNA5903 | 35 | 17 | 22 | 30 | 18 | 0.3 | 0.5 | 12.16 | 17.36 | 14400 |
NA5904 | 115 | RNA5904 | 84 | 20 | 25 | 37 | 23 | 0.3 | 0.8 | 22.72 | 29.6 | 12800 |
NA59/22 | 134 | RNA59/22 | 92 | 22 | 28 | 39 | 23 | 0.3 | 0.8 | 21.12 | 30 | 11200 |
NA5905 | 139 | RNA5905 | 101 | 25 | 30 | 42 | 23 | 0.3 | 0.8 | 24.4 | 34.4 | 10400 |
NA59/28 | 142 | RNA59/28 | 108 | 28 | 32 | 45 | 23 | 0.3 | 0.8 | 25.6 | 36.4 | 10400 |
NA5906 | 152 | RNA5906 | 108 | 30 | 35 | 47 | 23 | 0.3 | 0.8 | 26 | 38.8 | 8800 |
NA59/32 | 241 | RNA59/32 | 149 | 32 | 40 | 52 | 27 | 0.6 | 0.8 | 30.4 | 48.8 | 8000 |
NA5907 | 256 | RNA5907 | 176 | 35 | 42 | 55 | 27 | 0.6 | 0.8 | 31.2 | 51.6 | 7600 |
NA5908 | 348 | RNA5908 | 225 | 40 | 48 | 62 | 30 | 0.6 | 1 | 42.4 | 74 | 6800 |
NA5909 | 396 | RNA5909 | 232 | 45 | 52 | 68 | 30 | 0.6 | 1 | 44.8 | 80.8 | 6000 |
NA5910 | 498 | RNA5910 | 289 | 50 | 58 | 72 | 30 | 0.6 | 1 | 46.4 | 88 | 5600 |
NA5911 | 559 | RNA5911 | 367 | 55 | 63 | 80 | 34 | 1 | 1.5 | 61.2 | 112 | 5200 |
NA5912 | 614 | RNA5912 | 408 | 60 | 68 | 85 | 34 | 1 | 1.5 | 64.4 | 122.4 | 4800 |
NA5913 | 655 | RNA5913 | 462 | 65 | 72 | 90 | 34 | 1 | 1.5 | 67.2 | 132 | 4400 |
NA5914 | 1060 | RNA5914 | 706 | 70 | 80 | 100 | 40 | 1 | 1.5 | 82.4 | 149.6 | 4000 |
NA5915 | 1130 | RNA5915 | 745 | 75 | 85 | 105 | 40 | 1 | 1.5 | 87.2 | 164 | 3760 |
NA5916 | 1150 | RNA5916 | 787 | 80 | 90 | 110 | 40 | 1 | 1.5 | 92 | 178.4 | 3520 |
NA5917 | 1760 | RNA5917 | 1000 | 85 | 100 | 120 | 46 | 1.1 | 1.5 | 109.6 | 232 | 3200 |
NA5918 | 1840 | RNA5918 | 1040 | 90 | 105 | 125 | 46 | 1.1 | 1 | 114.4 | 248 | 3040 |
NA5919 | 1980 | RNA5919 | 1130 | 95 | 110 | 130 | 46 | 1.1 | 1 | 119.2 | 268 | 2880 |
NA5920 | 2850 | RNA5920 | 1760 | 100 | 115 | 140 | 54 | 1.1 | 2 | 145.6 | 316 | 2800 |
NA5922 | 2980 | RNA5922 | 1890 | 110 | 125 | 150 | 54 | 1.1 | 2 | 154.4 | 352 | 2560 |
NA5924 | 3920 | RNA5924 | 2670 | 120 | 135 | 165 | 60 | 1.1 | 2 | 196 | 420 | 2400 |
NA5926 | 5600 | RNA5926 | 3210 | 130 | 150 | 180 | 67 | 1.5 | 1.5 | 235.2 | 548 | 2160 |
NA5928 | 6180 | RNA5928 | 3480 | 140 | 160 | 190 | 67 | 1.5 | 1.5 | 248 | 604 | 2000 |

| Bearing Designation With Inner | Mass (g) | Bearing Designation Without Inner | Mass (g) | Boundary Dimensions (mm) | Allowable offset (s) | Basic Load Rating (kN) | Limiting Speed (rpm) | |||||
|---|---|---|---|---|---|---|---|---|---|---|---|---|
| d | Fw | D | C | rmin | C Dynamic | C o Static | ||||||
NA6901 | 46 | RNA6901 | 31 | 12 | 16 | 24 | 22 | 0.3 | 1.0 | 12.3 | 16,0 | 18400 |
NA6902 | 64 | RNA6902 | 40 | 15 | 20 | 28 | 23 | 0.3 | 1.0 | 14.1 | 20.24 | 16000 |
NA6903 | 69 | RNA6903 | 42 | 17 | 22 | 30 | 23 | 0.3 | 1.0 | 14.56 | 21.76 | 14400 |
NA6904 | 141 | RNA6904 | 100 | 20 | 25 | 37 | 30 | 0.3 | 1.0 | 29.2 | 40.4 | 12800 |
NA69/22 | 154 | RNA69/22 | 100 | 22 | 28 | 39 | 30 | 0.3 | 0.5 | 32 | 46.8 | 11200 |
NA6905 | 162 | RNA6905 | 112 | 25 | 30 | 42 | 30 | 0.3 | 1 | 33.2 | 50.4 | 10400 |
NA69/28 | 179 | RNA69/28 | 135 | 28 | 32 | 45 | 30 | 0.3 | 1 | 34.4 | 53.6 | 10400 |
NA6906 | 185 | RNA6906 | 126 | 30 | 35 | 47 | 30 | 0.3 | 1 | 34 | 54 | 8800 |
NA69/32 | 286 | RNA69/32 | 162 | 32 | 40 | 52 | 36 | 0.6 | 0.5 | 38 | 65.6 | 8000 |
NA6907 | 310 | RNA6907 | 193 | 35 | 42 | 55 | 36 | 0.6 | 0.5 | 39.2 | 69.2 | 7600 |
NA6908 | 426 | RNA6908 | 256 | 40 | 48 | 62 | 40 | 0.6 | 0.5 | 53.6 | 92.8 | 6800 |
NA6909 | 437 | RNA6909 | 273 | 45 | 52 | 68 | 40 | 0.6 | 0.5 | 56.4 | 101.6 | 6000 |
NA6910 | 529 | RNA6910 | 320 | 50 | 58 | 72 | 40 | 0.6 | 0.5 | 59.2 | 111.2 | 5600 |
NA6911 | 726 | RNA6911 | 470 | 55 | 63 | 80 | 45 | 1 | 1.5 | 75.2 | 146.4 | 5200 |
NA6912 | 758 | RNA6912 | 488 | 60 | 68 | 85 | 45 | 1 | 1.5 | 76.4 | 152.8 | 4800 |
NA6913 | 779 | RNA6913 | 520 | 65 | 72 | 90 | 45 | 1 | 1.5 | 77.6 | 158.4 | 4400 |
NA6914 | 1340 | RNA6914 | 857 | 70 | 80 | 100 | 54 | 1 | 1 | 104 | 213.6 | 4000 |
NA6915 | 1450 | RNA6915 | 935 | 75 | 85 | 105 | 54 | 1 | 1 | 105.6 | 221.6 | 3760 |
NA6916 | 1530 | RNA6916 | 987 | 80 | 90 | 110 | 54 | 1 | 1 | 109.6 | 238.4 | 3520 |
NA6917 | 2250 | RNA6917 | 1200 | 85 | 100 | 120 | 63 | 1.1 | 1 | 135.2 | 320 | 3200 |
NA6918 | 2440 | RNA6918 | 1330 | 90 | 105 | 125 | 63 | 1.1 | 1 | 140 | 340 | 3040 |
NA6919 | 2630 | RNA6919 | 1460 | 95 | 110 | 130 | 63 | 1.1 | 1 | 141.6 | 352 | 2880 |

